Galas Bebibir HZ-GFM menggabungkan kapasiti beban jejarian dengan kawalan penjajaran paksi, terima kasih kepada reka bentuk bebibir bersepadunya. Diperbuat daripada polimer yang distabilkan haba, ia menahan beban hentakan yang terputus-putus dan salah jajaran dalam rangkaian automotif, peredam HVAC atau sistem pengendalian bahan.
Ciri Teras
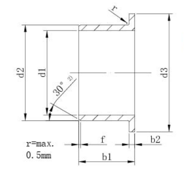
Reka Bentuk Bebibir: Menghalang drift paksi; memudahkan pemasangan dalam perumah bahan lembut.
Bahan: PA66 bertetulang gentian kaca atau PEEK untuk rintangan suhu tinggi (sehingga 180°C jangka pendek).
Pemasangan: Serasi dengan alat muat tekan (cth., siri PT-1350) untuk pemasangan pantas.
Aplikasi: Perumah pam, panduan penggerak elektrik dan penggelek penghantar yang memerlukan kestabilan dwi arah.















